Ресивер-осушитель конденсера для автомобилей Sprinter (95-)
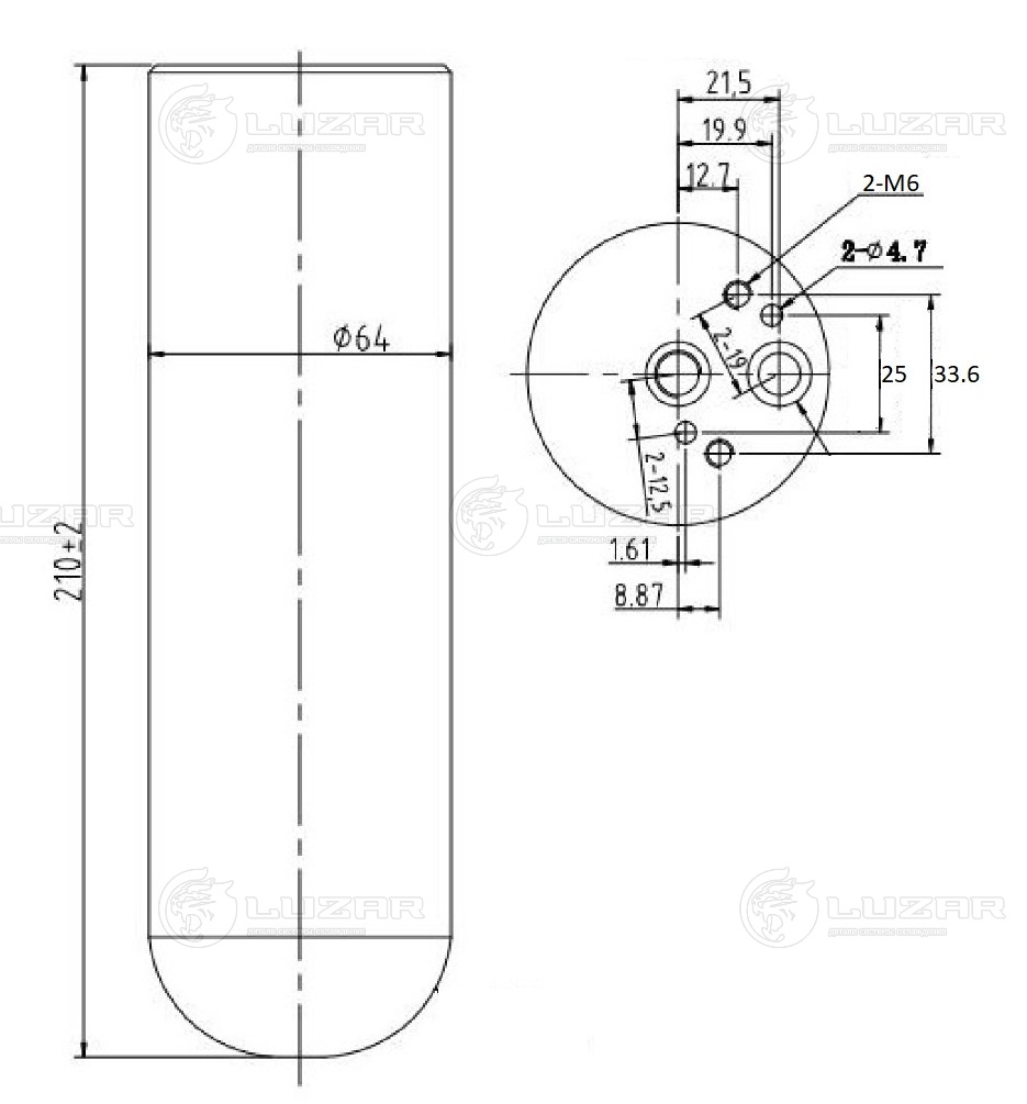
Характеристики
| Материал: | Алюминий |
| Высота, мм: | 210 |
| Диаметр, мм: | 64 |
| Вид хладагента: | R-134a |
| Совместимость с радиаторами кондиционера LUZAR: | Несовместим |
OEM-номера
220 830 00 83
970 030 02 83
970 830 02 83
973 830 01 83
A2208300083
A9700300283
A9708300283
A9738300183
Информация по применяемости изделий к
конкретной модели автомобиля является справочной
| Марка | Модель | Модификация | Код двигателя | Мощность кВт | Мощность ЛС | Объем см3 | Тип топлива | Год выпуска |
|---|---|---|---|---|---|---|---|---|
| MAYBACH | 57 (W240) | S 6.0 (240.079, 240.077) | M 285.980 | 450 | 612 | 5,980 | Бензин | 2005 - 2012 |
| MAYBACH | 57 (W240) | 5.5 (240.078) | M 285.950 | 405 | 551 | 5,513 | Бензин | 2002 - 2012 |
| MERCEDES-BENZ | ATEGO 2 | 822, 822 L | OM 924.920 (10.04-.), OM 924.922, OM 924.930 | 160 | 218 | 4,801 | NULL | 2004 - н.в. |
| MERCEDES-BENZ | ATEGO 2 | 824 K | OM 902.916 (10.04-.) | 175 | 238 | 6,374 | NULL | 2004 - н.в. |
| MERCEDES-BENZ | ATEGO 2 | 823, 823 L, 824, 824 L | OM 902.916 (10.04-.), OM 906.910 (10.04-.), OM 906.915 (10.04-.) | 170-175 | 231-238 | 6,374 | NULL | 2004 - н.в. |
| MERCEDES-BENZ | ATEGO 2 | 1224 K | OM 902.916 (10.04-.) | 175 | 238 | 6,374 | NULL | 2004 - н.в. |
| MERCEDES-BENZ | ATEGO 2 | 1328, 1328 L, 1329, 1329 L | OM 902.918 (10.04-.), OM 906.911 (10.04-.), OM 906.916 (10.04-.) | 205-210 | 279-286 | 6,374 | NULL | 2004 - н.в. |
| MERCEDES-BENZ | ATEGO 2 | 812, 813 | OM 900.911 (02.06-.), OM 900.917 (02.06-.), OM 904.909 | 90-95 | 122-129 | 4,249 | NULL | 2004 - н.в. |
| MERCEDES-BENZ | ATEGO 2 | 1326 AF | OM 925.920 | 7,201 | 2004 - н.в. | |||
| MERCEDES-BENZ | ATEGO 2 | 815, 815 L, 816, 816 L | OM 900.912 (02.06-.), OM 900.918 (02.06-.), OM 904.922 | 112-115 | 152-156 | 4,249 | NULL | 2004 - н.в. |
| MERCEDES-BENZ | ATEGO 2 | 1518, 1518 L | OM 900.913, OM 904.962, OM 904.967, OM 904.968, OM 904.972, OM 904.976 | 130 | 177 | 4,249 | NULL | 2004 - н.в. |
| MERCEDES-BENZ | ATEGO 2 | 1222, 1222 L | OM 924.920 (10.04-.), OM 924.922, OM 924.930 | 160 | 218 | 4,801 | NULL | 2004 - н.в. |
| MERCEDES-BENZ | ATEGO 2 | 1223, 1223 L, 1224, 1224 L | OM 902.916 (10.04-.), OM 906.910 (10.04-.), OM 906.915 (10.04-.), OM 906.954 | 170-175 | 231-238 | 6,374 | NULL | 2004 - н.в. |
| MERCEDES-BENZ | ATEGO 2 | 818, 818 L | OM 900.913 (02.06-.), OM 900.919 (02.06-.) | 130 | 177 | 4,249 | NULL | 2004 - н.в. |
| MERCEDES-BENZ | ATEGO 2 | 1529 AF | OM 925.920 | 7,201 | 2004 - н.в. | |||
| MERCEDES-BENZ | ATEGO 2 | 1529, 1529 L | OM 925.920 | 210 | 286 | 7,201 | NULL | 2004 - н.в. |
| MERCEDES-BENZ | ATEGO 2 | 1324 LKO | OM 925.920 | 7,201 | 2004 - н.в. | |||
| MERCEDES-BENZ | ATEGO 2 | 1218, 1218 L | OM 900.913 | 130 | 177 | 4,249 | NULL | 2004 - н.в. |
| MERCEDES-BENZ | ATEGO II | 6.4 D (1229) | OM 902.918 | 210 | 286 | 6374 | Дизель | 2004 - н.в. |
| MERCEDES-BENZ | Atego (04-) | 4.2D [OM 904] | ||||||
| MERCEDES-BENZ | Atego (04-) | 4.8D [OM 924] | ||||||
| MERCEDES-BENZ | Atego (04-) | 6.4D [OM 906] | ||||||
| MERCEDES-BENZ | Atego (04-) | 7.2D [OM 926] | ||||||
| MERCEDES-BENZ | CLK (C208) | CLK 200 Kompressor (208.345) | M 111.944 | 141 | 192 | 1,998 | Бензин | 1997 - 2000 |
| MERCEDES-BENZ | S-CLASS (W220) | S 65 AMG (220.179) | M 275.980 | 450 | 612 | 5,980 | Бензин | 2004 - 2005 |
| MERCEDES-BENZ | S-CLASS (W220) | S 63 AMG | M 137.980 | 326 | 444 | 6,258 | Бензин | 2001 - 2005 |
| MERCEDES-BENZ | S-CLASS (W220) | S 600 (220.878, 220.178) | M 137.970 | 270 | 367 | 5,786 | Бензин | 2000 - 2005 |
| MERCEDES-BENZ | S-CLASS (W220) | S 600 (220.176) | M 275.950 | 368 | 500 | 5,513 | Бензин | 2002 - 2005 |
| MERCEDES-BENZ | S-CLASS (W220) | S 55 AMG Kompressor (220.074, 220.174) | M 113.991 | 368 | 500 | 5,439 | Бензин | 2002 - 2005 |
| MERCEDES-BENZ | S-CLASS (W220) | S 55 AMG (220.073, 220.173) | M 113.986 | 265 | 360 | 5,439 | Бензин | 1999 - 2005 |
| MERCEDES-BENZ | S-CLASS (W220) | S 500 4-matic (220.084, 220.184) | M 113.966 | 225 | 306 | 4,966 | Бензин | 2002 - 2005 |
| MERCEDES-BENZ | S-CLASS (W220) | S 500 (220.075, 220.175, 220.875) | M 113.960, M 113.966 | 225 | 306 | 4,966 | Бензин | 1998 - 2005 |
| MERCEDES-BENZ | S-CLASS (W220) | S 430 4-matic (220.083, 220.183) | M 113.948 | 205 | 279 | 4,266 | Бензин | 2002 - 2005 |
| MERCEDES-BENZ | S-CLASS (W220) | S 430 (220.070, 220.170) | M 113.941 | 205 | 279 | 4,266 | Бензин | 1998 - 2005 |
| MERCEDES-BENZ | S-CLASS (W220) | S 400 CDI (220.028, 220.128) | OM 628.960 | 184 / 191 | 250 / 260 | 3,996 | Дизель | 2000 - 2005 |
| MERCEDES-BENZ | S-CLASS (W220) | S 350 4-matic (220.087, 220.187) | M 112.975 | 180 | 245 | 3,724 | Бензин | 2003 - 2005 |
| MERCEDES-BENZ | S-CLASS (W220) | S 350 (220.067, 220.167) | M 112.972 | 180 | 245 | 3,724 | Бензин | 2002 - 2005 |
| MERCEDES-BENZ | S-CLASS (W220) | S 320 CDI (220.026, 220.126) | OM 613.960 | 145 | 197 | 3,222 | Дизель | 1999 - 2002 |
| MERCEDES-BENZ | S-CLASS (W220) | S 320 CDI (220.025, 220.125) | OM 648.960 | 150 | 204 | 3,222 | Дизель | 2002 - 2005 |
| MERCEDES-BENZ | S-CLASS (W220) | S 320 (220.065, 220.165) | M 112.944 | 165 | 224 | 3,199 | Бензин | 1998 - 2005 |
| MERCEDES-BENZ | S-CLASS (W220) | S 280 (220.063, 220.163) | M 112.922 | 150 | 204 | 2,799 | Бензин | 1998 - 2005 |
| MERCEDES-BENZ | S-CLASS Coupe (C215) | CL 65 AMG (215.379) | M 275.980 | 450 | 612 | 5,980 | Бензин | 2003 - 2006 |
| MERCEDES-BENZ | S-CLASS Coupe (C215) | CL 63 AMG | M 137.980 | 326 | 444 | 6,258 | Бензин | 2001 - 2006 |
| MERCEDES-BENZ | S-CLASS Coupe (C215) | CL 600 (215.378) | M 137.970 | 270 | 367 | 5,786 | Бензин | 1999 - 2006 |
| MERCEDES-BENZ | S-CLASS Coupe (C215) | CL 600 (215.376) | M 275.950 | 368 | 500 | 5,513 | Бензин | 2002 - 2006 |
| MERCEDES-BENZ | S-CLASS Coupe (C215) | CL 55 AMG Kompressor (215.374) | M 113.991 | 368 | 500 | 5,439 | Бензин | 2002 - 2006 |
| MERCEDES-BENZ | S-CLASS Coupe (C215) | CL 55 AMG (215.373) | M 113.986 | 265 | 360 | 5,439 | Бензин | 1999 - 2006 |
| MERCEDES-BENZ | S-CLASS Coupe (C215) | CL 500 (215.375) | M 113.960 | 225 | 306 | 4,966 | Бензин | 1999 - 2006 |
| MERCEDES-BENZ | SL (R230) | 65 AMG (230.479) | M 275.981 | 450 | 612 | 5,980 | Бензин | 2004 - 2012 |
| MERCEDES-BENZ | SL (R230) | 63 AMG (230.470) | M 156.981 | 386 | 525 | 6,208 | Бензин | 2008 - 2012 |
| MERCEDES-BENZ | SL (R230) | 600 (230.477) | M 275.954 | 380 | 517 | 5,513 | Бензин | 2006 - 2012 |
| MERCEDES-BENZ | SL (R230) | 600 (230.476) | M 275.951 | 368 | 500 | 5,513 | Бензин | 2003 - 2012 |
| MERCEDES-BENZ | SL (R230) | 55 AMG Kompressor (230.474) | M 113.992 | 368 | 500 | 5,439 | Бензин | 2002 - 2012 |
| MERCEDES-BENZ | SL (R230) | 55 AMG (230.474) | M 113.992 | 350 | 476 | 5,439 | Бензин | 2001 - 2002 |
| MERCEDES-BENZ | SL (R230) | 55 AMG (230.472) | M 113.995 | 380 | 517 | 5,439 | Бензин | 2006 - 2012 |
| MERCEDES-BENZ | SL (R230) | 500 (230.475) | M 113.963 | 225 | 306 | 4,966 | Бензин | 2001 - 2012 |
| MERCEDES-BENZ | SL (R230) | 500 (230.471) | M 273.965 | 285 | 388 | 5,461 | Бензин | 2006 - 2012 |
| MERCEDES-BENZ | SL (R230) | 350 (230.467) | M 112.973 | 180 | 245 | 3,724 | Бензин | 2003 - 2012 |
| MERCEDES-BENZ | SL (R230) | 350 (230.458) | M 272.968 | 232 | 316 | 3,498 | Бензин | 2008 - 2012 |
| MERCEDES-BENZ | SL (R230) | 350 (230.456) | M 272.966 | 200 | 272 | 3,498 | Бензин | 2006 - 2012 |
| MERCEDES-BENZ | SL (R230) | 280 (230.454) | M 272.949 | 170 | 231 | 2,996 | Бензин | 2008 - 2012 |
| MERCEDES-BENZ | SPRINTER 2-t Bus (B901, B902) | 216 CDI (902.671, 902.672) | OM 612.981 | 115 | 156 | 2,685 | Дизель | 2000 - 2006 |
| MERCEDES-BENZ | SPRINTER 2-t Bus (B901, B902) | 213 CDI (902.671, 902.672) | OM 611.981 | 95 | 129 | 2,148 | Дизель | 2000 - 2006 |
| MERCEDES-BENZ | SPRINTER 2-t Bus (B901, B902) | 211 CDI (902.671, 902.672) | OM 611.981 | 80 | 109 | 2,148 | Дизель | 2000 - 2006 |
| MERCEDES-BENZ | SPRINTER 2-t Bus (B901, B902) | 208 CDI (901.671, 902.671, 902.672) | OM 611.987 | 60 | 82 | 2,148 | Дизель | 2000 - 2006 |
| MERCEDES-BENZ | SPRINTER 2-t Bus (B901, B902) | 214 (902.071, 902.072, 902.671, 902.672) | M 111.979, M 111.984 | 105 | 143 | 2,295 | Бензин | 1995 - 2006 |
| MERCEDES-BENZ | SPRINTER 2-t Platform/Chassis (B901, B902) | 216 CDI (902.611, 902.612, 902.621, 902.622) | OM 612.981 | 115 | 156 | 2,685 | Дизель | 2000 - 2006 |
| MERCEDES-BENZ | SPRINTER 2-t Platform/Chassis (B901, B902) | 213 CDI (901.621, 902.611, 902.612, 902.621, 902.622) | OM 611.981 | 95 | 129 | 2,148 | Дизель | 2000 - 2006 |
| MERCEDES-BENZ | SPRINTER 2-t Platform/Chassis (B901, B902) | 211 CDI (901.621, 902.611, 902.612, 902.621, 902.622) | OM 611.981 | 80 | 109 | 2,148 | Дизель | 2000 - 2006 |
| MERCEDES-BENZ | SPRINTER 2-t Platform/Chassis (B901, B902) | 208 CDI (901.611, 901.612, 901.621, 902.611, 902.612,... | OM 611.987 | 60 | 82 | 2,148 | Дизель | 2000 - 2006 |
| MERCEDES-BENZ | SPRINTER 2-t Platform/Chassis (B901, B902) | 214 (902.011, 902.012, 902.611, 902.612) | M 111.979, M 111.984 | 105 | 143 | 2,295 | Бензин | 1995 - 2006 |
| MERCEDES-BENZ | SPRINTER 2-t Van (B901, B902) | 216 CDI (902.661, 902.662) | OM 612.981 | 115 | 156 | 2,685 | Дизель | 2000 - 2006 |
| MERCEDES-BENZ | SPRINTER 2-t Van (B901, B902) | 213 CDI (901.661, 901.662, 902.661, 902.662) | OM 611.981 | 95 | 129 | 2,148 | Дизель | 2000 - 2006 |
| MERCEDES-BENZ | SPRINTER 2-t Van (B901, B902) | 211 CDI (901.661, 901.662, 902.661, 902.662) | OM 611.981 | 80 | 109 | 2,148 | Дизель | 2000 - 2006 |
| MERCEDES-BENZ | SPRINTER 2-t Van (B901, B902) | 208 CDI (901.661, 901.662, 902.661, 902.662) | OM 611.987 | 60 | 82 | 2,148 | Дизель | 2000 - 2006 |
| MERCEDES-BENZ | SPRINTER 3-t Bus (B903) | 316 CDI 4x4 (903.672, 903.673) | OM 612.981, OM 647.981 | 115 | 156 | 2,685 | Дизель | 2002 - 2006 |
| MERCEDES-BENZ | SPRINTER 3-t Bus (B903) | 316 CDI (903.671, 903.672, 903.673) | OM 612.981, OM 647.981 | 115 | 156 | 2,685 | Дизель | 2000 - 2006 |
| MERCEDES-BENZ | SPRINTER 3-t Bus (B903) | 313 CDI 4x4 (903.672, 903.673) | OM 611.981 | 95 | 129 | 2,148 | Дизель | 2002 - 2006 |
| MERCEDES-BENZ | SPRINTER 3-t Bus (B903) | 313 CDI (903.671, 903.672) | OM 611.981 | 95 | 129 | 2,148 | Дизель | 2000 - 2006 |
| MERCEDES-BENZ | SPRINTER 3-t Bus (B903) | 311 CDI 4x4 (903.672, 903.673) | OM 611.981 | 80 | 109 | 2,148 | Дизель | 2002 - 2006 |
| MERCEDES-BENZ | SPRINTER 3-t Bus (B903) | 311 CDI (903.671, 903.672) | OM 611.981 | 80 | 109 | 2,148 | Дизель | 2000 - 2006 |
| MERCEDES-BENZ | SPRINTER 3-t Bus (B903) | 308 CDI (903.671, 903.672, 903.673) | OM 611.987 | 60 | 82 | 2,148 | Дизель | 2000 - 2006 |
| MERCEDES-BENZ | SPRINTER 3-t Bus (B903) | 314 (903.071, 903.072, 903.073, 903.671, 903.672,... | M 111.979 (.-04.00), M 111.984 (04.00-.) | 105 | 143 | 2,295 | Бензин | 1995 - 2006 |
| MERCEDES-BENZ | SPRINTER 3-t Platform/Chassis (B903) | 316 CDI 4x4 (903.612, 903.613, 903.622, 903.623) | OM 612.981, OM 647.981 | 115 | 156 | 2,685 | Дизель | 2002 - 2006 |
| MERCEDES-BENZ | SPRINTER 3-t Platform/Chassis (B903) | 316 CDI (903.611, 903.612, 903.613, 903.621, 903.622,... | OM 612.981, OM 647.981 | 115 | 156 | 2,685 | Дизель | 2000 - 2006 |
| MERCEDES-BENZ | SPRINTER 3-t Platform/Chassis (B903) | 313 CDI 4x4 (903.612, 903.613, 903.622, 903.623) | OM 611.981 | 95 | 129 | 2,148 | Дизель | 2000 - 2006 |
| MERCEDES-BENZ | SPRINTER 3-t Platform/Chassis (B903) | 313 CDI (903.611, 903.612, 903.621, 903.622) | OM 611.981 | 95 | 129 | 2,148 | Дизель | 2000 - 2006 |
| MERCEDES-BENZ | SPRINTER 3-t Platform/Chassis (B903) | 311 CDI 4x4 (903.612, 903.613, 903.622, 903.623) | OM 611.981 | 80 | 109 | 2,148 | Дизель | 2000 - 2006 |
| MERCEDES-BENZ | SPRINTER 3-t Platform/Chassis (B903) | 311 CDI (903.611, 903.612, 903.613, 903.621, 903.622,... | OM 611.981 | 80 | 109 | 2,148 | Дизель | 2000 - 2006 |
| MERCEDES-BENZ | SPRINTER 3-t Platform/Chassis (B903) | 308 CDI (903.611, 903.612, 903.613, 903.621, 903.622,... | OM 611.987 | 60 | 82 | 2,148 | Дизель | 2000 - 2006 |
| MERCEDES-BENZ | SPRINTER 3-t Van (B903) | 316 CDI 4x4 (903.662, 903.663) | OM 612.981, OM 647.981 | 115 | 156 | 2,685 | Дизель | 2001 - 2006 |
| MERCEDES-BENZ | SPRINTER 3-t Van (B903) | 316 CDI (903.661, 903.662, 903.663) | OM 612.981, OM 647.981 | 115 | 156 | 2,685 | Дизель | 2000 - 2006 |
| MERCEDES-BENZ | SPRINTER 3-t Van (B903) | 313 CDI 4x4 (903.662, 903.663) | OM 611.981 | 95 | 129 | 2,148 | Дизель | 2002 - 2006 |
| MERCEDES-BENZ | SPRINTER 3-t Van (B903) | 313 CDI (903.663, 903.662, 903.661) | OM 611.981 | 95 | 129 | 2,148 | Дизель | 2000 - 2006 |
| MERCEDES-BENZ | SPRINTER 3-t Van (B903) | 311 CDI 4x4 (903.662, 903.663) | OM 611.981 | 80 | 109 | 2,148 | Дизель | 2002 - 2006 |
| MERCEDES-BENZ | SPRINTER 3-t Van (B903) | 311 CDI (903.661, 903.662, 903.663) | OM 611.981 | 80 | 109 | 2,148 | Дизель | 2000 - 2006 |
| MERCEDES-BENZ | SPRINTER 3-t Van (B903) | 308 CDI (903.661, 903.662, 903.663) | OM 611.987 | 60 | 82 | 2,148 | Дизель | 2000 - 2006 |
| MERCEDES-BENZ | SPRINTER 3-t Van (B903) | 314 (903.061, 903.062, 903.063, 903.661, 903.662) | M 111.979, M 111.984 | 105 | 143 | 2,295 | Бензин | 1995 - 2006 |
| MERCEDES-BENZ | SPRINTER 4-t Bus (B904) | 416 CDI (904.662, 904.663) | OM 612.981 | 115 | 156 | 2,685 | Дизель | 2000 - 2006 |
| MERCEDES-BENZ | SPRINTER 4-t Bus (B904) | 413 CDI (904.663, 904.662) | OM 611.981 | 95 | 129 | 2,148 | Дизель | 2000 - 2006 |
| MERCEDES-BENZ | SPRINTER 4-t Bus (B904) | 411 CDI (904.662, 904.663) | OM 611.981 | 80 | 109 | 2,148 | Дизель | 2000 - 2006 |
| MERCEDES-BENZ | SPRINTER 4-t Bus (B904) | 408 CDI (904.662, 904.663) | OM 611.987 | 60 | 82 | 2,148 | Дизель | 2000 - 2006 |
| MERCEDES-BENZ | SPRINTER 4-t Bus (B904) | 414 (904.662, 904.663) | M 111.979, M 111.984 | 105 | 143 | 2,295 | Бензин | 1996 - 2006 |
| MERCEDES-BENZ | SPRINTER 4-t Platform/Chassis (B904) | 416 CDI 4x4 | OM 612.981, OM 647.981 | 115 | 156 | 2,685 | Дизель | 2000 - 2006 |
| MERCEDES-BENZ | SPRINTER 4-t Platform/Chassis (B904) | 416 CDI | OM 612.981, OM 647.981 | 115 | 156 | 2,685 | Дизель | 2000 - 2006 |
| MERCEDES-BENZ | SPRINTER 4-t Platform/Chassis (B904) | 413 CDI 4x4 | OM 611.981 | 95 | 129 | 2,148 | Дизель | 2000 - 2006 |
| MERCEDES-BENZ | SPRINTER 4-t Platform/Chassis (B904) | 413 CDI | OM 611.981 | 95 | 129 | 2,148 | Дизель | 2000 - 2006 |
| MERCEDES-BENZ | SPRINTER 4-t Platform/Chassis (B904) | 411 CDI 4x4 | OM 611.981 | 80 | 109 | 2,148 | Дизель | 2000 - 2006 |
| MERCEDES-BENZ | SPRINTER 4-t Platform/Chassis (B904) | 411 CDI | OM 611.981 | 80 | 109 | 2,148 | Дизель | 2000 - 2006 |
| MERCEDES-BENZ | SPRINTER 4-t Platform/Chassis (B904) | 408 CDI | OM 611.987 | 60 | 82 | 2,148 | Дизель | 2000 - 2006 |
| MERCEDES-BENZ | SPRINTER 4-t Platform/Chassis (B904) | 414 (904.012, 904.013, 904.612, 904.613) | M 111.979, M 111.984 | 105 | 143 | 2,295 | Бензин | 1995 - 2006 |
| MERCEDES-BENZ | SPRINTER 4-t Van (B904) | 416 CDI 4x4 | OM 612.981, OM 647.981 | 115 | 156 | 2,685 | Дизель | 2000 - 2006 |
| MERCEDES-BENZ | SPRINTER 4-t Van (B904) | 416 CDI | OM 612.981, OM 647.981 | 115 | 156 | 2,685 | Дизель | 2000 - 2006 |
| MERCEDES-BENZ | SPRINTER 4-t Van (B904) | 413 CDI 4x4 | OM 611.981 | 95 | 129 | 2,148 | Дизель | 2000 - 2006 |
| MERCEDES-BENZ | SPRINTER 4-t Van (B904) | 413 CDI | OM 611.981 | 95 | 129 | 2,148 | Дизель | 2000 - 2006 |
| MERCEDES-BENZ | SPRINTER 4-t Van (B904) | 411 CDI 4x4 | OM 611.981 | 80 | 109 | 2,148 | Дизель | 2000 - 2006 |
| MERCEDES-BENZ | SPRINTER 4-t Van (B904) | 411 CDI | OM 611.981 | 80 | 109 | 2,148 | Дизель | 2000 - 2006 |
| MERCEDES-BENZ | SPRINTER 4-t Van (B904) | 408 CDI | OM 611.987 | 60 | 82 | 2,148 | Дизель | 2000 - 2006 |
| MERCEDES-BENZ | SPRINTER 5-t Platform/Chassis (B905) | 616 CDI (905.612, 905.613, 905.622, 905.623) | OM 612.981 | 115 | 156 | 2,685 | Дизель | 2001 - 2006 |
| MERCEDES-BENZ | SPRINTER CLASSIC 3,5-t Van (B909) | 311 CDI (909.632, 909.633) | OM 646.701 | 80 | 109 | 2,148 | Дизель | 2013 - н.в. |
| MERCEDES-BENZ | SPRINTER CLASSIC 3,5-t Van (B909) | 313 CDI (909.632, 909.633) | OM 646.701 | 100 | 136 | 2,148 | Дизель | 2017 - н.в. |
| MERCEDES-BENZ | SPRINTER CLASSIC 4,6-t Bus (B909) | 411 CDI (909.843) | OM 646.701 | 80 | 109 | 2,148 | Дизель | 2013 - н.в. |
| MERCEDES-BENZ | SPRINTER CLASSIC 4,6-t Van (B909) | 413 CDI (909.643) | OM 646.701 | 100 | 136 | 2,148 | Дизель | 2017 - н.в. |
| MERCEDES-BENZ | Sprinter (00-) | 208CDI 2.2 (OM 611) | ||||||
| MERCEDES-BENZ | Sprinter (00-) | 211CDI 2.2 (OM 611) | ||||||
| MERCEDES-BENZ | Sprinter (00-) | 213CDI 2.2 (OM 611) | ||||||
| MERCEDES-BENZ | Sprinter (00-) | 214 2.3i (M 111) | ||||||
| MERCEDES-BENZ | Sprinter (00-) | 216CDI 2.7 (OM 612/OM 647) | ||||||
| MERCEDES-BENZ | Sprinter (00-) | 308CDI 2.2 (OM 611) | ||||||
| MERCEDES-BENZ | Sprinter (00-) | 311CDI 2.2 (OM 611) | ||||||
| MERCEDES-BENZ | Sprinter (00-) | 313CDI 2.2 (OM 611) | ||||||
| MERCEDES-BENZ | Sprinter (00-) | 314 2.3i (M 111) | ||||||
| MERCEDES-BENZ | Sprinter (00-) | 316CDI 2.7 (OM 612/OM 647) | ||||||
| MERCEDES-BENZ | Sprinter (00-) | 408CDI 2.2 (OM 611) | ||||||
| MERCEDES-BENZ | Sprinter (00-) | 411CDI 2.2 (OM 611) | ||||||
| MERCEDES-BENZ | Sprinter (00-) | 413CDI 2.2 (OM 611) | ||||||
| MERCEDES-BENZ | Sprinter (00-) | 414 2.3i (M 111) | ||||||
| MERCEDES-BENZ | Sprinter (00-) | 416CDI 2.7 (OM 612/OM 647) | ||||||
| MERCEDES-BENZ | Sprinter (00-) | 616CDI 2.7 (OM 612/OM 647) | ||||||
| MERCEDES-BENZ | Sprinter Classic (13-) | 2.2d | ||||||
| MERCEDES-BENZ | T2/LN1 Bus | O 614 D (672.375, 672.376) | OM 364.980 (07.87-12.92), OM 364.981 (11.87-.) | 100 | 136 | 3,972 | Дизель | 1987 - 1992 |
| MERCEDES-BENZ | T2/LN1 Bus | O 611 D (672.372, 672.373) | OM 364.952, OM 364.954 (07.87-12.92) | 85 | 116 | 3,972 | Дизель | 1987 - 1992 |
| MERCEDES-BENZ | T2/LN1 Bus | O 609 D (672.072, 672.073) | OM 364.913 (07.87-12.92) | 66 | 90 | 3,972 | Дизель | 1987 - 1992 |
| MERCEDES-BENZ | T2/LN1 Cab with engine | 809 DT (670.199) | OM 364.911 / OM 364.911 (04.86-.) | 63 / 66 | 86 / 90 | 3,972 | Дизель | 1986 - 1994 |
| MERCEDES-BENZ | T2/LN1 Dump Truck | 811 DK (670.341, 670.342) | OM 364.950 (04.86-.), OM 364.952 (04.86-.) | 85 | 115 | 3,972 | Дизель | 1986 - 1994 |
| MERCEDES-BENZ | T2/LN1 Dump Truck | 809 DK (670.041, 670.042) | OM 364.920 (02.92-.), OM 364.921 (02.92-.) / OM 364.906 (04.86-.), OM 364.911 (04.86-.) | 63 / 66 | 86 / 90 | 3,972 | Дизель | 1986 - 1994 |
| MERCEDES-BENZ | T2/LN1 Dump Truck | 709 DK (669.041, 669.042) | OM 364.906 (04.86-.) / OM 364.921 (02.92-.) | 66 / 63 | 90 / 86 | 3,972 | Дизель | 1986 - 1994 |
| MERCEDES-BENZ | T2/LN1 Dump Truck | 611 DK (668.041, 668.042) | OM 354.901 (06.94-.) | 77 | 105 | 3,972 | Дизель | 1994 - н.в. |
| MERCEDES-BENZ | T2/LN1 Dump Truck | 609 DK (668.041, 668.042) | OM 364.919 (07.87-.) / OM 364.906 (04.86-.) | 63 / 66 | 86 / 90 | 3,972 | Дизель | 1986 - 1994 |
| MERCEDES-BENZ | T2/LN1 Dump Truck | 508 D (667.301, 667.302, 667.341, 667.342) | OM 601.941 | 58 | 79 | 2,299 | Дизель | 1989 - 1994 |
| MERCEDES-BENZ | T2/LN1 Dump Truck | 507 DK (667.341, 667.342) | OM 616.914 (04.86-04.89) | 53 | 72 | 2,399 | Дизель | 1986 - 1989 |
| MERCEDES-BENZ | T2/LN1 Platform/Chassis | 814 DA 4x4 (670.411, 670.412) | OM 364.984 (01.91-.), OM 364.987 (02.92-.) / OM 364.984, OM 364.987 | 100 | 136 | 3,972 | Дизель | 1987 - 1994 |
| MERCEDES-BENZ | T2/LN1 Platform/Chassis | 814 D (670.312, 670.313) | OM 354.924 / OM 364.981 (11.87-.), OM 364.986 (02.92-.) | 103 / 100 | 140 / 136 | 3,972 | Дизель | 1987 - 1994 |
| MERCEDES-BENZ | T2/LN1 Platform/Chassis | 811 D (670.303) | OM 364.958 (02.92-.) | 77 | 105 | 3,972 | Дизель | 1986 - 1994 |
| MERCEDES-BENZ | T2/LN1 Platform/Chassis | 811 D (670.302, 670.303) | ADE364T, OM 364.950 (04.86-.), OM 364.952 (04.86-.) | 85 | 116 | 3,972 | Дизель | 1986 - 1994 |
| MERCEDES-BENZ | T2/LN1 Platform/Chassis | 809 D (670.001, 670.002, 670.003) | OM 364.920 (02.92-.), OM 364.921 (02.92-.) / OM 364.906 (04.86-.), OM 364.911 (04.86-.) | 63 / 66 | 86 / 90 | 3,972 | Дизель | 1986 - 1994 |
| MERCEDES-BENZ | T2/LN1 Platform/Chassis | 714 D (669.301, 669.302, 669.303) | OM 354.923 (06.94-.) | 103 | 140 | 3,972 | Дизель | 1994 - н.в. |
| MERCEDES-BENZ | T2/LN1 Platform/Chassis | 711 D (669.301, 669.302, 669.303) | OM 364.950 (04.86-.), OM 364.952 (04.86-.) / OM 354.902 (06.94-.), OM 354.903 (06.94-.), OM 364.957 (02.92-.) | 85 / 77 | 115 / 105 | 3,972 | Дизель | 1986 - 1994 |
| MERCEDES-BENZ | T2/LN1 Platform/Chassis | 709 D (669.001, 669.002, 669.003, 669.041, 669.000) | OM 364.921 | 63 | 86 | 3,972 | Дизель | 1986 - 1994 |
| MERCEDES-BENZ | T2/LN1 Platform/Chassis | 709 D (669.000, 669.001, 669.002, 669.003, 669.041) | OM 364.906 (04.86-.), OM 364.912 | 66 | 90 | 3,972 | Дизель | 1986 - 1994 |
| MERCEDES-BENZ | T2/LN1 Platform/Chassis | 611 D (668.001, 668.002, 668.003) | OM 354.902 (06.94-.) | 77 | 105 | 3,972 | Дизель | 1994 - н.в. |
| MERCEDES-BENZ | T2/LN1 Platform/Chassis | 609 D (668.001, 668.002, 668.003) | OM 354.902 (06.94-.) / ADE364N, OM 364.906 (04.86-.) / OM 364.919 (07.87-.) | 77 / 66 / 63 | 105 / 90 / 86 | 3,972 | Дизель | 1986 - 1994 |
| MERCEDES-BENZ | T2/LN1 Platform/Chassis | 510 (667.001, 667.002) | M 102.946 | 77 / 70 | 105 / 95 | 2,299 | Бензин | 1986 - 1994 |
| MERCEDES-BENZ | T2/LN1 Platform/Chassis | 507 D (667.301, 667.302, 667.341, 667.342) | OM 616.914 (04.86-04.89) | 53 | 72 | 2,399 | Дизель | 1986 - 1989 |
| MERCEDES-BENZ | T2/LN1 Van | 814 DA 4x4 (670.464, 670.465) | OM 364.984 (01.91-.), OM 364.987 (02.92-.) | 100 | 136 | 3,972 | Дизель | 1987 - 1994 |
| MERCEDES-BENZ | T2/LN1 Van | 814 D (670.364, 670.365, 670.366) | OM 354.924 / OM 364.981 (11.87-.), OM 364.986 (02.92-.) | 103 / 100 | 140 / 136 | 3,972 | Дизель | 1987 - 1994 |
| MERCEDES-BENZ | T2/LN1 Van | 811 D (670.362, 670.363) | OM 354.901 (06.94-.), OM 354.903 (06.94-.), OM 364.958 (02.92-.) / OM 364.950 (04.86-.), OM 364.952 (04.86-.) | 77 / 85 | 105 / 115 | 3,972 | Дизель | 1986 - 1994 |
| MERCEDES-BENZ | T2/LN1 Van | 714 D (669.361, 669.362, 669.363) | OM 354.923 (06.94-.) | 103 | 140 | 3,972 | Дизель | 1994 - н.в. |
| MERCEDES-BENZ | T2/LN1 Van | 711 D (669.361, 669.362, 669.363) | OM 364.950 (04.86-.), OM 364.952 (04.86-.) / OM 354.902 (06.94-.), OM 354.903 (06.94-.), OM 364.957 (02.92-.) | 85 / 77 | 115 / 105 | 3,972 | Дизель | 1986 - 1994 |
| MERCEDES-BENZ | T2/LN1 Van | 709 D (669.061, 669.062, 669.063) | OM 364.921 (02.92-.) / OM 364.906 (04.86-.), OM 364.912 | 63 / 66 | 86 / 90 | 3,972 | Дизель | 1986 - 1994 |
| MERCEDES-BENZ | T2/LN1 Van | 611 D (668.061, 668.062, 668.063) | OM 354.901 (06.94-.) | 77 | 105 | 3,972 | Дизель | 1994 - н.в. |
| MERCEDES-BENZ | T2/LN1 Van | 609 D (668.061, 668.062, 668.063) | OM 364.906 (04.86-.) / OM 364.919 (07.87-.) / OM 354.902 (06.94-.) | 66 / 63 / 77 | 90 / 86 / 105 | 3,972 | Дизель | 1986 - 1994 |
| MERCEDES-BENZ | T2/LN1 Van | 510 (667.061, 667.062) | M 102.946 | 77 / 70 | 105 / 95 | 2,299 | Бензин | 1986 - 1994 |
| MERCEDES-BENZ | T2/LN1 Van | 508 D (667.361, 667.362) | OM 601.941 | 58 | 79 | 2,299 | Дизель | 1989 - 1994 |
| MERCEDES-BENZ | T2/LN1 Van | 507 D (667.361, 667.362) | OM 616.914 (04.86-04.89) | 53 | 72 | 2,399 | Дизель | 1986 - 1989 |
| MERCEDES-BENZ | VARIO Bus (B670) | O 818 D (670.373, 670.374) | OM 900.919 | 130 | 177 | 4,249 | Дизель | 2006 - н.в. |
| MERCEDES-BENZ | VARIO Bus (B670) | O 816 D (670.373, 670.374) | OM 900.918 | 115 | 156 | 4,249 | Дизель | 2006 - 2013 |
| MERCEDES-BENZ | VARIO Bus (B670) | O 815 (670.373, 670.374) | OM 904.923 | 112 | 152 | 4,249 | Дизель | 1996 - 2010 |
| MERCEDES-BENZ | VARIO Bus (B670) | O 814 (670.373, 670.374) | OM 904.908 | 100 | 136 | 4,249 | Дизель | 1996 - 2010 |
| MERCEDES-BENZ | VARIO Bus (B670) | O 813 (670.373, 670.374) | OM 900.917 | 95 | 129 | 4,249 | Дизель | 2006 - 2013 |
| MERCEDES-BENZ | VARIO Bus (B670) | O 812 (670.373, 670.674) | OM 602.984 (09.96-.), OM 602.985 (09.96-.) | 90 | 122 | 2,874 | Дизель | 1996 - 2010 |
| MERCEDES-BENZ | VARIO Bus (B670) | O 810 (670.373, 670.374) | OM 904.904 | 75 | 102 | 4,249 | Дизель | 1996 - 2010 |
| MERCEDES-BENZ | VARIO Cab with engine | 816 DT (670.398) | OM 904.923 | 112 | 152 | 4,249 | Дизель | 1996 - 2006 |
| MERCEDES-BENZ | VARIO Cab with engine | 814 DT (670.398) | OM 904.908 | 100 | 136 | 4,249 | Дизель | 1996 - 2006 |
| MERCEDES-BENZ | VARIO Cab with engine | 812 DT (670.398) | OM 904.961 | 90 | 122 | 4,249 | Дизель | 1996 - 2006 |
| MERCEDES-BENZ | VARIO Cab with engine | 810 DT (670.398) | OM 904.904 | 75 | 102 | 4,249 | Дизель | 1996 - 2006 |
| MERCEDES-BENZ | VARIO Cab with engine | 618 D (669.599, 669.899) | OM 900.919 | 130 | 177 | 4,249 | Дизель | 2006 - 2013 |
| MERCEDES-BENZ | VARIO Cab with engine | 615 D, 616 D (669.599, 669.899) | OM 900.918 | 115 | 156 | 4,249 | Дизель | 2006 - 2013 |
| MERCEDES-BENZ | VARIO Cab with engine | 613 D, 614 D (669.599, 669.899) | OM 900.917 | 95 | 129 | 4,249 | Дизель | 2006 - 2013 |
| MERCEDES-BENZ | VARIO Dump Truck | 815 DA, 816 DA 4x4 (670.431, 670.432) | OM 904.923 | 112 / 115 | 152 / 156 | 4,249 | Дизель | 1996 - 2013 |
| MERCEDES-BENZ | VARIO Dump Truck | 815 D, 816 D (670.331, 670.332) | OM 904.923 / OM 900.918, OM 904.923 | 112 / 115 | 152 / 156 | 4,249 | Дизель | 1996 - 2013 |
| MERCEDES-BENZ | VARIO Dump Truck | 813 DA, 814 DA 4x4 (670.431, 670.432) | OM 904.908 | 95 / 100 | 129 / 136 | 4,249 | Дизель | 1996 - 2013 |
| MERCEDES-BENZ | VARIO Dump Truck | 813 D, 814 D (670.331, 670.332) | OM 900.917, OM 904.908 / OM 904.908 | 95 / 100 | 129 / 136 | 4,249 | Дизель | 1996 - 2013 |
| MERCEDES-BENZ | VARIO Dump Truck | 812 D (670.331, 670.332) | OM 602.984 (09.96-.), OM 602.985 (09.96-.) | 90 | 122 | 2,874 | Дизель | 1996 - 2010 |
| MERCEDES-BENZ | VARIO Dump Truck | 615 D, 616 D (668.331, 668.332) | OM 900.918, OM 904.923 / OM 904.923 | 115 / 112 | 156 / 152 | 4,249 | Дизель | 1998 - н.в. |
| MERCEDES-BENZ | VARIO Dump Truck | 613 D, 614 D (668.331, 668.332) | OM 904.908 / OM 900.917, OM 904.908 | 100 / 95 | 136 / 129 | 4,249 | Дизель | 1996 - 2013 |
| MERCEDES-BENZ | VARIO Dump Truck | 612 D (668.331, 668.332) | OM 602.984 (09.96-.), OM 602.985 (09.96-.) | 90 | 122 | 2,874 | Дизель | 1996 - 2010 |
| MERCEDES-BENZ | VARIO Platform/Chassis (B670, B668, B667) | 815 DA, 816 DA 4x4 (670.421, 670.422, 670.423) | OM 904.923 | 115 / 112 | 156 / 152 | 4,249 | Дизель | 1996 - 2013 |
| MERCEDES-BENZ | VARIO Platform/Chassis (B670, B668, B667) | 815 D, 816 D (670.321, 670.322, 670.323, 670.324) | OM 900.918, OM 904.923 / OM 904.923 | 115 / 112 | 156 / 152 | 4,249 | Дизель | 1996 - 2013 |
| MERCEDES-BENZ | VARIO Platform/Chassis (B670, B668, B667) | 813 DA, 814 DA 4x4 (670.421, 670.422, 670.423) | OM 904.908 | 100 / 95 | 136 / 129 | 4,249 | Дизель | 1996 - 2013 |
| MERCEDES-BENZ | VARIO Platform/Chassis (B670, B668, B667) | 813 D, 814 D (670.321, 670.322, 670.323, 670.324) | OM 904.908 / OM 900.917, OM 904.908 | 100 / 95 | 136 / 129 | 4,249 | Дизель | 1996 - 2013 |
| MERCEDES-BENZ | VARIO Platform/Chassis (B670, B668, B667) | 812 D (670.321, 670.322, 670.323, 670.324) | OM 602.984 (09.96-.), OM 602.985 (09.96-.) | 90 | 122 | 2,874 | Дизель | 1996 - 2010 |
| MERCEDES-BENZ | VARIO Platform/Chassis (B670, B668, B667) | 615 D, 616 D (668.321, 668.322, 668.323) | OM 900.918, OM 904.923 / OM 904.923 | 115 / 112 | 156 / 152 | 4,249 | Дизель | 1998 - н.в. |
| MERCEDES-BENZ | VARIO Platform/Chassis (B670, B668, B667) | 613 D, 614 D (668.321, 668.322, 668.323) | OM 904.908 / OM 904.908, OM 904.917 | 100 / 95 | 136 / 129 | 4,249 | Дизель | 1996 - 2011 |
| MERCEDES-BENZ | VARIO Platform/Chassis (B670, B668, B667) | 612 D (668.321, 668.322, 668.323) | OM 602.984 (09.96-.), OM 602.985 (09.96-.) | 90 | 122 | 2,874 | Дизель | 1996 - 2010 |
| MERCEDES-BENZ | VARIO Platform/Chassis (B670, B668, B667) | 512 D (667.321, 667.322, 667.323) | OM 602.984 (09.96-.) | 90 | 122 | 2,874 | Дизель | 1996 - 2010 |
| MERCEDES-BENZ | VARIO Platform/Chassis (B670, B668, B667) | 815 D (670.324, 670.323, 670.322, 670.321) | OM 904.936 | 110 | 150 | 4,249 | Дизель | 1996 - 2013 |
| MERCEDES-BENZ | VARIO Van (B667, B670, B668) | 815 DA, 816 DA 4x4 (669.599, 670.451, 670.452, 670.453) | OM 904.923 | 112 / 115 | 152 / 156 | 4,249 | Дизель | 1996 - 2013 |
| MERCEDES-BENZ | VARIO Van (B667, B670, B668) | 815 D, 816 D (670.351, 670.352, 670.353) | OM 900.918, OM 904.923 / OM 904.923 | 115 / 112 | 156 / 152 | 4,249 | Дизель | 1996 - 2013 |
| MERCEDES-BENZ | VARIO Van (B667, B670, B668) | 813 DA, 814 DA 4x4 (669.599, 670.451, 670.452, 670.453) | OM 904.908 | 100 / 95 | 136 / 129 | 4,249 | Дизель | 1996 - 2013 |
| MERCEDES-BENZ | VARIO Van (B667, B670, B668) | 813 D, 814 D (670.351, 670.352, 670.353) | OM 904.908 / OM 900.917, OM 904.908 | 100 / 95 | 136 / 129 | 4,249 | Дизель | 1996 - 2013 |
| MERCEDES-BENZ | VARIO Van (B667, B670, B668) | 812 D (670.351, 670.352, 670.353) | OM 602.984 (09.96-.), OM 602.985 (09.96-.) | 90 | 122 | 2,874 | Дизель | 1996 - 2010 |
| MERCEDES-BENZ | VARIO Van (B667, B670, B668) | 615 D, 616 D (668.351, 668.352, 668.353) | OM 904.923 / OM 900.918, OM 904.923 | 112 / 115 | 152 / 156 | 4,249 | Дизель | 1998 - 2013 |
| MERCEDES-BENZ | VARIO Van (B667, B670, B668) | 613 D, 614 D (668.351, 668.352, 668.353) | OM 900.917, OM 904.908 / OM 904.908 | 95 / 100 | 129 / 136 | 4,249 | Дизель | 1996 - 2013 |
| MERCEDES-BENZ | VARIO Van (B667, B670, B668) | 612 D (668.351, 668.352, 668.353) | OM 602.984 (09.96-.), OM 602.985 (09.96-.) | 90 | 122 | 2,874 | Дизель | 1996 - 2010 |
| MERCEDES-BENZ | VARIO Van (B667, B670, B668) | 512 D (667.351, 667.352, 667.353) | OM 602.984 (09.96-.) | 90 | 122 | 2,874 | Дизель | 1996 - 2010 |
| MERCEDES-BENZ | VARIO Van (B667, B670, B668) | 618 D | OM 900.919, OM 904.964 | 130 | 177 | 4,249 | Дизель | 2006 - 2013 |
| MERCEDES-BENZ | Vario (96-) | 512D (OM 602) | ||||||
| MERCEDES-BENZ | Vario (96-) | 612D (OM602) | ||||||
| MERCEDES-BENZ | Vario (96-) | 618D | ||||||
| MERCEDES-BENZ | Vario (96-) | 812D (OM602) | ||||||
| MERCEDES-BENZ | Vario (96-) | OM904 | ||||||
| MITSUBISHI | CARISMA (DA_) | 1.8 (DA2A) | 4G93 (SOHC 16V) | 85 | 116 | 1,834 | Бензин | 1995 - 1997 |
| MITSUBISHI | CARISMA (DA_) | 1.6 (DA1A) | 4G92 (SOHC 16V) | 66 | 90 | 1,597 | Бензин | 1995 - 2006 |
| MITSUBISHI | GALANT VIII Estate (EA_, EC_) | 2.5 V6 24V (EA5W) | 6A13 (09.96-.) | 120 | 163 | 2,498 | Бензин | 1996 - 2000 |
| MITSUBISHI | GALANT VIII Estate (EA_, EC_) | 2.0 (EA2W) | 4G63 (SOHC 16V) | 100 | 136 | 1,997 | Бензин | 1996 - 2000 |
Дополнительная информация по применяемости
| Марка | Модель | Двигатель | Год |
|---|---|---|---|
| Mercedes-Benz | Atego (04-) | 4.2D [OM 904] / 6.4D [OM 906] | 1998 - н.в. |
| Mercedes-Benz | Atego (04-) | 4.8D [OM 924] / 7.2D [OM 926] | 2004 - н.в. |
| Mercedes-Benz | Sprinter (00-) | 208CDI 2.2 (OM 611) / 211CDI 2.2 (OM 611) / 213CDI 2.2 (OM 611) / 214 2.3i (M 111) / 216CDI 2.7 (OM 612/OM 647) / 308CDI 2.2 (OM 611) / 311CDI 2.2 (OM 611) / 313CDI 2.2 (OM 611) / 314 2.3i (M 111) / 316CDI 2.7 (OM 612/OM 647) / 408CDI 2.2 (OM 611) / 411CDI 2.2 (OM 611) / 413CDI 2.2 (OM 611) / 414 2.3i (M 111) / 416CDI 2.7 (OM 612/OM 647) / 616CDI 2.7 (OM 612/OM 647) | |
| Mercedes-Benz | Sprinter Classic (13-) | 2.2d | 2013 - н.в. |
| Mercedes-Benz | Vario (96-) | 512D (OM 602) / 612D (OM602) / 618D / 812D (OM602) | |
| Mercedes-Benz | Vario (96-) | OM904 | 1996 - н.в. |
220 830 00 83
970 030 02 83
970 830 02 83
973 830 01 83
A2208300083
A9700300283
A9708300283
A9738300183





