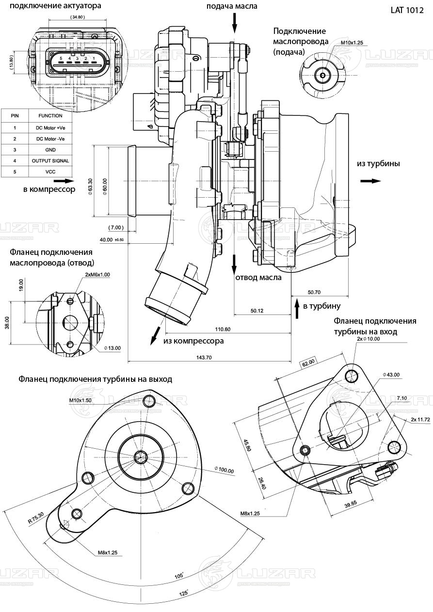
Турбокомпрессор для а/м Ford Transit (13-) 2.2D E5
Характеристики
| Двигатель: | PGFA/DRFA/CYFA/UHFA/DRF4/CVFF/CYF4/CYF5/CVF5 |
| Количество на автомобиль: | 1 |
OEM-номера
BK2Q6K682CA
BK2Q6K682GA
BK2Q6K682HA
1741779
1946738
1 914 068
2180759
2239481
2462587
Сопутствующие товары
Информация по применяемости изделий к
конкретной модели автомобиля является справочной
Марка
Модель
Год выпуска
Тип кузова
Привод
Объем двигателя, л.
Мощность ЛС
Тип топлива
Код двигателя
Цилиндр
Клапаны на цилиндр
FORD
TRANSIT
2011 - 2018
Легкий коммерческий / Автобус / Грузовой
Привод на передние колеса
2.2
125 / 155 / 100
Дизель
CYFA, CYFB, CYFC, CYFD / CVF5 / DRFA, DRFB, DRFC, DRFD, DRFE / DRF5, DRFF, DRFG
4
4
FORD
TRANSIT
2013 - 2018
Легкий коммерческий / Автобус / Грузовой
Привод на задние колеса
2.2
125 / 135 / 100 / 155
Дизель
CYR5, USR6 / UHR5 / DRR5 / CV24, CVR5, UYR6
4
4
FORD
TRANSIT
2012 - 2023
Автобус / Легкий коммерческий
Привод на передние колеса
2.2
100 / 155 / 125
Дизель
DRF4, DRFF, DRFG / CVFF / CYF4, CYFF
4
4
BK2Q6K682CA
BK2Q6K682GA
BK2Q6K682HA
1741779
1946738
1 914 068
2180759
2239481
2462587
Полезные материалы
Полезные материалы
Сертификаты
Сертификат соответствия ЕАЭС
Инструкции
LAT паспорт изделия
Комплектация
Комплектация
Турбокомпрессор - 1 шт
Прокладка - 5 шт
Паспорт изделия - 1 шт
×


